ดาวน์โหลดแบบบ้านชั้นเดียว “จันทนา” แบบบ้านฟรี แบบบ้านชั้นเดียวราคาไม่เกิน 1 ล้านบาท
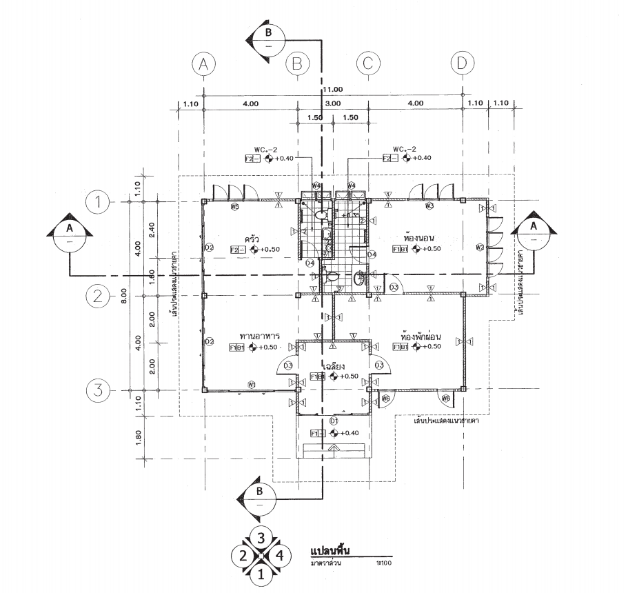
บ้าน 1 ชั้น 1 ห้องนอน 2 ห้องน้ำ
พื้นที่ใช้สอย 95 ตร.ม.
ขนาดพื้นที่ขั้นต่ำ กว้าง 15 เมตร ลึก 15 เมตร
งบประมาณในการก่อสร้าง 807,500 บาท
ฟรีดาวน์โหลด แบบบ้านยิ้ม จันทนา Download PDF ไฟล์ได้ที่นี่
สำหรับเว็บมีบ้านดอทคอม Mebaan.com ในวันนี้ขอเสนอไฟล์ PDF แบบบ้านยิ้ม จันทนา ซึ่งเป็นแบบบ้านที่ทางสำนักงานเขตแจกให้กับประชาชนได้ฟรีโดยทางเราได้รวบรวมเป็นไฟล์ PDF ให้ทุกท่านได้เข้าไปดาวน์โหลดได้ง่ายๆ โดยทางเราจะแยกเป็นหมวดหมู่และแยกตามแบบบ้านพร้อมรูปประกอบเพื่อให้ง่ายต่อการค้นหา



